Главная > Электротехнические чертежи и схемы
НАПИШУ ВСЁ ЧТО ЗАДАЛИ
СЕКРЕТНЫЙ БОТ В ТЕЛЕГЕ
<< Предыдущий параграф Следующий параграф >>
Пред.
След.
Макеты страниц

Распознанный текст, спецсимволы и формулы могут содержать ошибки, поэтому с корректным вариантом рекомендуем ознакомиться на отсканированных изображениях учебника выше

Также, советуем воспользоваться поиском по сайту, мы уверены, что вы сможете найти больше информации по нужной Вам тематике

ДЛЯ СТУДЕНТОВ И ШКОЛЬНИКОВ ЕСТЬ
ZADANIA.TO

1.3. Чертежи, схемы и текстовые конструкторские документы

Конструкторская документация определяет устройство и состав изделия, содержит необходимые данные для его изготовления, контроля, приемки, эксплуатации и ремонта.

Конструкторские докуметы в зависимости от представленной в них информации подразделяют на графические (чертежи и схемы) и текстовые (спецификации, пояснительные записки, расчеты, ведомости, инструкции, технические условия и т. д.).

В графическом конструкторском документе основная информация о техническом предмете представлена в виде графического изображения, выполненного черным цветом при помощи линий, штрихов и точек. Информация О предмете в виде графического изображения наиболее удобна при рассмотрении устройства и принципа действия изделия, взаимного расположения и устройства его составных частей, геометрической формы деталей. Часто графическая информация сопровождается текстовой или знаковой (знаки и цифры) информацией. Текстовые документы содержат речевую описательную информацию, а также расчеты и их результаты. Текстовый документ оформляется в виде сплошного текста или текста, разбитого на графы (спецификации, ведомости, таблицы и т. д.).

Стандарты ЕСКД (ГОСТ 2.102-68) предусматривают номенклатуру

(кликните для просмотра скана)

конструкторских документов. Наиболее употребительными документами являются чертеж общего вида, чертеж детали, спецификация, сборочный чертеж, схема, пояснительная записка, расчеты.

Чертеж общего вида содержит изображения сборочной единицы и другие данные, необходимые для понимания принципа работы и взаимодействия составных частей сборочной единицы. Чертеж общего вида является основанием для разработки чертежей деталей и спецификации.

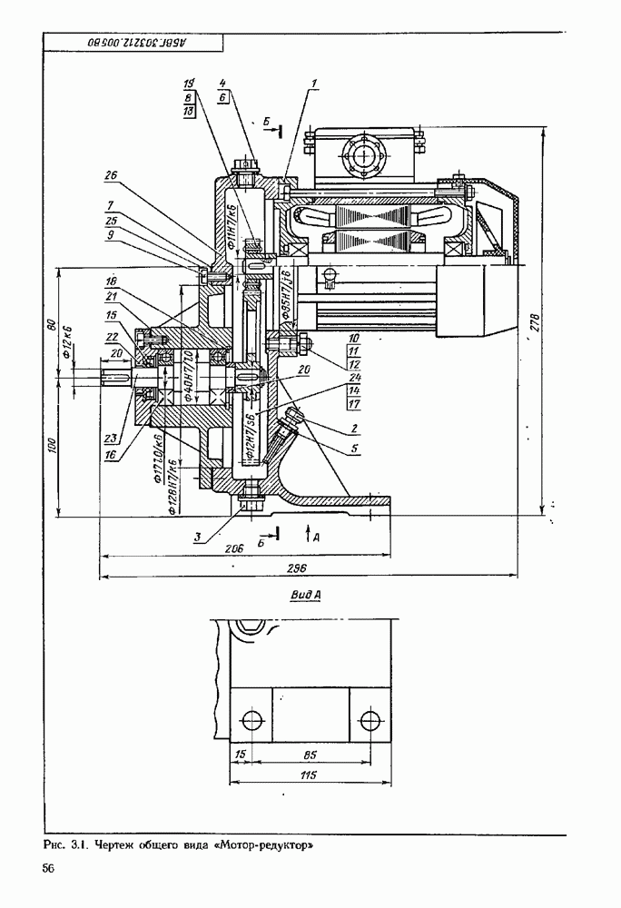
На рис. 1.1 приведен чертеж общего вида автомобильного трехфазного синхронного генератора переменного тока с электромагнитным возбуждением. На чертеже представлено изображение генератора, состоящее из продольного разреза, вида слева и вида на кремниевые диоды (вид Б), смонтированные в выпрямительном блоке. Чертеж содержит также текстовую информацию в виде наименований составных частей генератора, данных по обмотке возбуждения, обмотке статора, техническую характеристику. На изображения нанесены габаритные и присоединительные размеры.

Чертеж генератора дает представление о его конструкции. Сердечник статора, являющийся магнитопроводом, закреплен между двумя крышками (левой и правой) при помощи четырех стяжиых винтов. Для уменьшения вихревых токов сердечник набран из тонких листовых пластин. Внутренняя поверхность статора имеет 18 зубцов, на которые надето

Рис. 1.2. Конструкторский документ — чертеж детали «Гайка»

Рис. 1.3. (см. скан) Конструкторский документ — чертеж детали «Кабель»


18 катушек статора (см. данные «Обмотка статора»).

Ротор состоит из двух шестиполюсных наконечников. Наконечники одной половины ротора входят в пазы между наконечниками второй половины. В полости между наконечниками ротора помещена катушка возбуждения, закрепленная на магнитопроводе, выполненном в виде втулки, посаженной на шлицевой вал. Опорами ротора служат два шариковых подшипника качения, которые заполнены консистентной смазкой и защищены кольцевыми уплотнениями.

Выводы обмотки возбуждения соединены с контактными кольцами, к которым прижимаются пружинами две щетки генератора. Одна из щеток соединена со штекерным зажимом, вторая присоединена к корпусу генератора.

Привод генератора осуществляется от двигателя автомобиля посредством ременной передачи, шкнв которой закреплен на валу генератора при помощи сегментной шпонки. Та же шпонка передает вращение крыльчатке, служащей для охлаждения генератора.

На чертеже общего вида, как

правило, не приводят сведения, необходимые для изготовления деталей и осуществления сборки. Эти данные помещают на чертежах деталей и сборочных чертежах. Основное назначение чертежа общего вида состоит в том, чтобы дать представление об устройстве сборочной единицы и взаимодействии ее составных частей.

Чертеж детали — это конструкторский документ, содержащий изображение детали и другие данные (размеры, предельные отклонения размеров, шероховатость поверхности, сведения о материале и др.), необходимые для ее изготовления и контроля.

На чертеже детали «Гайка» (рис. 1.2) приведено изображение детали, нанесены все размеры и их предельные отклонения. Обозначена шероховатость поверхности: . В соответствующей графе основной надписи указаны наименование и


Рис. 1.4. (см. скан) Конструкторский Документ — спецификация

марка материала детали: «Сплав ЛС-59-1» по ГОСТ 15527-70.

Графическая и текстовая информация, помещенная на чертеже, полностью определяет геометрическую форму детали и позволяет изготовить ее с требуемой степенью точности из материала заданной марки.

Заготовкой для детали, изображенной на рис. 1.3, служит отрезок кабеля марки РК 50-2-22 по ГОСТ 11526,74-79. Изготовление детали состоит в том, что необходимо снять часть изоляции и оплетки на заданную длину. Затем оголенные концы жилы кабеля залудить припоем. Поэтому размеры, обозначенные *, даются без предельных отклонений. Шероховатость поверхности не обозначена, но приведены данные о припое.

Состав сборочной единицы, необходимые сведения по соединению деталей в сборочную единицу, и требования к готовой сборочной единице приводятся в спецификации и на сборочном чертеже. Спецификация и сборочный чертеж являются самостоятельными конструкторскими документами, но разрабатываются совместно.

Спецификация является текстовым документом, который содержит сведения о составе сборочной единицы. Спецификация (рис. 1.4) представляет собой перечень документов, относящихся к данной сборочной единице, и составных частей этой сборочной единицы. Перечень составляется по определенной форме и в определенной последовательности, определяемой ГОСТ 2.108-68.

Рис. 1.5. (см. скан) Конструкторский документ — сборочный чертеж

(кликните для просмотра скана)

Рис. 1.7. (см. скан) Конструкторский документ—пояснительная записка

Сборочный чертеж содержит упрощенное изображение сборочной единицы и другие данные, необходимые для ее изготовления (сборки). На сборочном чертеже (рис, 1.5) составные части сборочной единицы снабжаются полками-выносками, на которых проставляются номера позиций этих составных частей в соответствии с порядковым номером позиции в спецификации. На сборочном чертеже (рис. 1.5) приведены требования по условиям пайки п. 2 и габаритный размер по длине кабеля ВЧ после сборки.

Схема представляет собой конструкторский документ, на котором в виде условных графических обозначений показаны составные части изделия, а также связи между ними. В зависимости от входящих в состав изделия элементов и связей между ними схемы подразделяют на следующие виды (ГОСТ 2.701-84): электрические, гидравлические, пневматические, газовые (кроме пневматических), кинематические, вакуумные, оптические, энергетические, деления, комбинированные.

Назначение схемы определяет ее

Рис. 1.8. (см. скан) Образец текста пояснительной записки


тип: структурная, функциональная, принципиальная (полная), соединений (монтажная), подключения, общая, расположения, объединенная.

Схема кинематическая принципиальная «Электропривод» (рис. 1.6) содержит:

а) изображение схемы, которое состоит из условных графических обозначений элементов, связей между элементами, буквенно-цифровых позиционных обозначений элементов;

б) перечень составных элементов схемы, выполненный в виде таблицы.

По изображению можно представить передачу и преобразование движения в электроприводе от двигателя до ведомого звена. В перечне составных элементов разъясняются обозначения элементов и приводятся некоторые их параметры.

Пояснительная записка (ГОСТ 2.106-68) содержит в общем случае сведения о назначении и области применения проектируемого изделия, техническую характеристику, описание устройства и принципа действия изделия, обоснование принятых при разработке технических решений, технико-экономические показатели.

Первым листом пояснительной записки является титульный лист (рис. 1.7), который выполняется на формате А4 и содержит

наименование министерства или ведомства, разработавшего документ, код изделия по общесоюзному классификатору продукции (ОКП), грифы согласования и утверждения, наименование изделия, обозначение документа, подписи разработчиков документа, год издания документа. Пример выполнения промежуточной страницы пояснительной записки приведен на рис. 1.8.

(см. скан)

Расчеты включают эскиз или схему рассчитываемого изделия, задачу расчета, данные для расчета, условия расчета, расчет, заключение.

Из других конструкторских документов следует упомянуть:

а) теоретический чертеж, который определяет геометрическую форму (обводы) изделия и координаты расположения составных частей;

б) габаритный чертеж, содержащий контурное изображение изделия с габаритными, установочными и присоединительными размерами;

в) монтажный чертеж, необходимый для монтажа изделия на месте применения.

Каждый конструкторский документ имеет код по ГОСТ 2.102-68. Так, чертеж общего вида имеет код сборочный чертеж — пояснительная записка — ПЗ и т. д. Код схемы по ГОСТ 2.701-84 состоит из кода вида и типа схемы. Чертеж детали и спецификация кода не имеют. Это обусловлено тем, что эти документы приняты в качестве основных для детали и сборочной единицы. Шифры остальных конструкторских документов приведены ниже (см. § 1.5).

1
Оглавление
email@scask.ru