Главная > Искусство схемотехники, Т.2
НАПИШУ ВСЁ ЧТО ЗАДАЛИ
СЕКРЕТНЫЙ БОТ В ТЕЛЕГЕ
<< Предыдущий параграф Следующий параграф >>
Пред.
След.
Макеты страниц

Распознанный текст, спецсимволы и формулы могут содержать ошибки, поэтому с корректным вариантом рекомендуем ознакомиться на отсканированных изображениях учебника выше

Также, советуем воспользоваться поиском по сайту, мы уверены, что вы сможете найти больше информации по нужной Вам тематике

ДЛЯ СТУДЕНТОВ И ШКОЛЬНИКОВ ЕСТЬ
ZADANIA.TO

7.07. Выходные погрешности усилителя

Как указывалось в гл. 4, операционные усилители имеют существенные ограничения, связанные с их выходным каскадом. Ограниченная скорость нарастания, нелинейные искажения выходного сигнала (см. разд. 2.15), конечное выходное сопротивление разомкнутого контура могут причинить неприятности и, если их не учитывать, привести к ошеломляюще большим погрешностям прецизионной схемы.

Скорость нарастания: общие соображения.

Как отмечалось в разд. 4.11, изменения напряжения выходного сигнала ОУ могут происходить со скоростью, не превышающей некоторого максимума. Этот эффект порождается схемой частотной коррекции ОУ, как увидим при более детальном анализе.

Рис. 7.6. Частотная зависимость максимального размаха сигнала на выходе ОУ.

Продолжение табл. 7.2.

Одним из следствий конечности скорости нарастания является ограничение амплитуды выходного сигнала на высоких частотах, равное, как было показано в разд. 4.12 и как видно на рис. , где размах сигнала. Второе следствие лучше всего объяснить с помощью графика зависимости скорости нарастания от напряжения дифференциального входного сигнала (рис. 7.7). Смысл его в том, что схема, требующая большой скорости нарастания, работает с существенными напряжениями между входными клеммами ОУ. Это может привести к катастрофическим последствиям в схеме, претендующей на высокую точность.

Рис. 7.7. Для получения полной скорости нарастания ОУ требуется значительное дифференциальное входное напряжение.

Чтобы понять, чем определяется скорость нарастания, заглянем внутрь операционного усилителя. Подавляющее большинство ОУ могут быть смоделированы схемой, изображенной на рис. 7.8. Дифференциальный входной каскад, нагруженный на токовое зеркало, возбуждает каскад с большим коэффициентом усиления по напряжению и с корректирующим конденсатором между выходом и входом. Выходной каскад - пушпульный повторитель с единичным коэффициентом усиления. Корректирующий конденсатор выбирается так, чтобы коэффициент усиления разомкнутой петли усилителя становился равным единице раньше, чем сдвиг фазы, вызванный остальными каскадами усилителя, станет существенным. Таким образом, С выбирается таким, чтобы , полоса частот единичного коэффициента усиления, была близка к полюсу, с которого начинается спад усиления следующего каскада, как описывалось в разд. 4.34. Входной каскад имеет очень высокое выходное сопротивление и для следующего каскада является источником тока.

В операционных усилителях возникает ограничение скорости нарастания, когда выходной сигнал возбуждает один из транзисторов дифференциального каскада почти до насыщения, действуя на следующий каскад полным током эмиттера в дифференциальной паре. Это происходит при дифференциальном входном напряжении около , при котором соотношение токов в дифференциальном каскаде равно . В этот момент напряжение коллектора изменяется с максимально возможной скоростью, а весь ток идет на заряд конденсатора С. Таким образом, и С образуют интегратор с ограниченной скоростью нарастания на выходе. Выведем выражение скорости нарастания.

Скорость нарастания: детальное рассмотрение.

Прежде всего напишем выражение для коэффициента усиления разомкнутого контура по напряжению при малом сигнале переменного тока без учета сдвигов фаз:

откуда полоса единичного усиления (частота, при которой есть

Скорость нарастания определяется током , заряжающим конденсатор С:

Для обычного дифференциального усилителя без эмиттерных резисторов связано с соотношением

Подставляя это выражение в формулу скорости нарастания, находим

т. е. скорость нарастания пропорциональна , как и ширина полосы единичного усиления. В самом деле, выражено в МГц, а .

Это выражение не зависит от конкретных значений С, и т. д. и дает хорошую оценку для скорости нарастания (классический ОУ 741, например, имеет МГц и скорость нарастания порядка . Отсюда ясно, что ОУ с большим значением произведения ширины полосы пропускания на коэффициент усиления будет иметь большую скорость нарастания. Нельзя улучшить быстродействие ОУ только увеличивая ток входного каскада, поскольку увеличение коэффициента усиления (за счет роста ) требует соответственного увеличения значения С для частотной коррекции. Добавочное усиление в других каскадах ОУ также не помогает.

Рис. 7.8. Типичная схема внутренней частотной коррекции ОУ.

Из изложенного ясно, что увеличение за счет увеличения токов коллекторов, подбора более быстродействующих транзисторов и т. д. увеличивает скорость нарастания. Конечно, всегда желательно иметь большое значение , и это хорошо известно разработчику ИС, который конечно же сделал, проектируя кристалл, все, что мог. Тем не менее существует способ обойти ограничение , и он основан на том, что крутизна определяется значением . Можно использовать простой прием для увеличения (и соответственно скорости нарастания при фиксированном значении , а в силу этого и при фиксированной форме частотной характеристики). Проще всего добавить некоторое сопротивление в эмиттерную цепь дифференциального входного каскада. Предположим, что мы сделали что-нибудь в этом роде, в результате чего вырос в m раз при постоянном значении . Повторив приведенные выше выкладки, получим .

Упражнение 7.1. Покажите, что описанный прием дает указанный эффект.

Увеличение скорости нарастания. Итак, существует несколько способов получения высокой скорости нарастания: а) применить ОУ с большим увеличить за счет уменьшения емкости конденсатора частотной коррекции;

Рис. 7.9.

Конечно, это возможно только в тех схемах, где коэффициент усиления при замкнутом контуре обратной связи больше единицы;

в) уменьшить крутизну входного каскада , добавив в эмиттерную цепь дополнительные резисторы, а затем пропорционально увеличить или уменьшить С;

г) изменить схему входного каскада.

Третий способ (уменьшение ) применяется во многих ОУ. Например, почти одинаковы, но . содержит эмиттерные резисторы во входном каскаде, которые увеличивают скорость нарастания ценой уменьшения коэффициента усиления разомкнутого контура. Это иллюстрируется приводимыми данными. ПТ ОУ с их малым входного каскада имеют более высокую скорость нарастания по тем же причинам.

Четвертый способ состоит в применении «перекрестно-сдвоенного уменьшения крутизны», для которого требуется введение в схему входного каскада целого дополнительного набора транзисторов, болтающихся без дела при малых значениях сигнала, но всегда готовых, если нужно, дать дополнительный ток. Это дает выигрыш в виде улучшения характеристик ОУ по шумам и смещению, достающийся ценой некоторого усложнения схемы по сравнению с простой добавкой эмиттерных резисторов. Данный прием применяется в изделиях фирм Harris , Raytheon 4531, Signetics 535 и 538 для увеличения скорости нарастания при больших дифференциальных входных сигналах. Зависимость скорости нарастания от входного дифференциального сигнала показана на рис. 7.9.

Полоса пропускания и время установления.

Скорость нарастания - это показатель того, насколько быстро может изменяться напряжение выходного сигнала.

Рис. 7.10. Определение времени установки. Иногда определяется при логический порог или при

Спецификация ОУ по скорости нарастания дается обычно в предположении большого дифференциального входного напряжения и более), что вполне оправдано: при обычно встречающихся на практике значениях петлевого усиления ОУ, выходное напряжение которого отличается от того, которое, должно быть, будет испытывать на входе сильное воздействие сигнала по цепи обратной связи. В высокоскоростных прецизионных схемах не менее важно время установления выходного сигнала на том значении, к которому оно стремится, следуя за изменением входного. Этот параметр - врем я установления (время, необходимое для установления выходного сигнала с заданной точностью на окончательное значение, см. рис. -всегда приводится в паспортах таких устройств как цифро-аналоговые преобразователи, где точность - суть игры, а для ОУ он обычно не указывается.

Мы сможем оценить время установления ОУ, рассмотрев вначале другую проблему, а именно: что произойдет с идеальным скачком напряжения в некоторой цепи, нагруженной на простой -фильтр низкой частоты (рис. 7.11). Несложно вычислить, что отфильтрованный сигнал будет иметь время установления, указанное на этом рисунке. Это действительно важный результат, поскольку часто мы ограничиваем при помощи фильтра полосу пропускания, чтобы уменьшить шум (об этом еще будет сказано в этой главе).

Рис. 7.11. Время установления RC-фильтра нижних частот.

Распространяя этот простой результат на ОУ, достаточно вспомнить, что ОУ с частотной коррекцией имеет спад , точно так же, как и НЧ-фильтр. При включении ОУ в схему с ОС, имеющую коэффициент усиления К, ее «полоса пропускания» (частота, на которой петлевое усиление падает до единицы) приближенно определяется выражением:

Как основной результат можно отметить, что система с полосой пропускания В имеет время реакции отсюда следует, что эквивалент «постоянной времени» ОУ равен

При этом время установления грубо можно оценить как .

Попробуем применить наш прогноз к реальности. производства фирмы - это прецизионный быстродействующий некомпенсированный ( ОУ с типичным значением МГц. Наша простая формула дает оценку времени реакции, равную 21 не, что соответствует времени установления до 0,1%. Это очень хорошо совпадает с реальным значением , приводимым в паспорте на ОУ в качестве типичного для точности установления 0,1%.

Стоит отметить несколько моментов:

(а) наша простая модель дает нам только нижнюю границу фактического значения времени установления в реальной схеме; всегда нужно проверить еще ограниченное скоростью нарастания время нарастания, которое может быть определяющим;

(б) даже если скорость нарастания не создает проблем, время установления может быть много больше, чем в нашей идеализированной «однополюсной» модели; это зависит от схемы компенсации ОУ и запаса по фазе; (в) ОУ устанавливается тем быстрее, чем лучше применяемая схема частотной компенсации обеспечивает зависимость сдвига фазы от частоты в разомкнутой петле в виде прямой линии при логарифмическом масштабе (например, , рис. 7.12); ОУ, имеющие колебания на фазово-частотной характеристике, более склонны к выбросам и пульсациям, вроде тех, что показаны на графике рис. 7.10; (г) быстрое установление с точностью до 1% не обязательно гарантирует быстрое установление в пределах 0,1%, может существовать «длинный хвост» (рис. 7.13); (д) прямая подстановка в реальный случай приводимого изготовителем значения времени установления не всегда пригодна.

В табл. 7.3 приведен ряд быстродействующих ОУ для применений, требующих большого значения , высокой скорости нарастания и малого времени установления.

Погрешность коэффициента усиления.

Существует еще одна погрешность, причиной которой является конечное значение коэффициента усиления без ОС, а именно: погрешность коэффициента усиления при замкнутой ОС из-за конечного петлевого усиления.

Рис. 7.12. Частотные зависимости усиления и сдвига фазы .

В гл. 3 мы вывели выражение для коэффициента усиления усилителя с замкнутой петлей ОС, , где - коэффициент усиления без ОС, а В - "усиление" цепи обратной связи. Можно было бы предположить, что величина коэффициента усиления ОУ без обратной связи дБ является вполне достаточной, но если мы попробуем сконструировать сверхпрецизионную схему, то здесь нас ожидает сюрприз. Из предыдущего выражения для коэффициента усиления нетрудно показать, что «погрешность усиления», определяемая как

в точности равна и может изменяться в диапазоне от 0 при до 1 (100%) при .

Упражнение 7.2. Выведите только что приведенное выражение для погрешности коэффициента усиления.

Результирующая величина частотно-зависимой погрешности коэффициента усиления далека от того, чтобы ей можно было пренебречь. Например, ОУ 411, у которого коэффициент усиления без ОС на низкой частоте составляет 106 дБ, будет давать погрешность усиления 0,5% при включении его в схему с расчетным значением коэффициента усиления с замкнутой ОС 1000. Еще хуже то, что коэффициент усиления без ОС начиная с частоты 20 Гц падает со скоростью , так что наш усилитель имел бы на частоте 500 Гц погрешность коэффициента усиления в На рис. 7.14 даны кривые зависимости погрешности коэффициента усиления от частоты при значениях коэффициента усиления с ОС, равных 100 и 1000, для , имеющего на низкой частоте исключительно высокий коэффициент усиления 140 дБ.

Рис. 7.13. а - по мере подхода входной погрешности к зоне скорость нарастания уменьшается; б - установка с высокой точностью может длиться удивительно долго.

Отсюда становится очевидным, что для сохранения точности даже на средних частотах необходимо иметь достаточно большой коэффициент усиления и высокое значение .

Приведенные графики мы построили, используя данные в паспорте кривые частотной зависимости коэффициента усиления без ОС. Даже в том случае, если в спецификации на применяемый вами ОУ дан указанный график, лучше всего идти в обратном направлении - от паспортных значений и коэффициента усиления по постоянному току, вычисляя величину коэффициента усиления без ОС на интересующей нас частоте, а отсюда и погрешность усиления как функцию частоты. Эта процедура приводит к следующему выражению:

где В, как обычно, - коэффициент передачи цепи обратной связи. Разумеется, в некоторых схемах, таких как фильтры, В может также зависеть от частоты.

Упражнение 7.3. Выведите представленное выше выражение для .

Переходные нелинейные искажения и выходное сопротивление.

Некоторые ОУ используют простой пушпульный выходной каскад без смещения баз на два диодных перепада в разные стороны, как описывалось в разд. 2.15. Это приводит к искажениям класса В при значениях выходного сигнала, близких к нулю, так как возбуждающий повторитель каскад должен давать напряжению баз приращение каждый раз, когда выходной ток проходит через нуль (рис. 7.15).

Таблица 7.3. Быстродействующие прецизионные ОУ

Переходные искажения могут быть существенны, в частности, в области высоких частот, где петлевое усиление падает. Оно сильно уменьшается в тех ОУ, где выходная пушпульная схема смещена в состояние слабой проводимости (класс АВ). Примером последнего типа является популярная схема 741, в то время как у ее предшественника ОУ 709 используется простое смещение выходного каскада класса В.

Продолжение табл. 7.3.

Прекрасная во всем остальном, схема 324 по этим причинам может давать большие искажения. Правильный выбор ОУ имеет колоссальное значение для получения высококачественных характеристик усилителей звуковых частот.

Рис. 7.14. Погрешность усиления .

Рис. 7.15. Переходные искажения класса В в пушпульном выходном каскаде.

Возможно, именно эти искажения дают существенный вклад в то, что любители звукозаписи относят к «шумам транзисторов». Некоторые современные ОУ, особенно те, что предназначаются для звукотехники, спроектированы так, чтобы получить исключительно малую величину переходных нелинейных искажений.

Рис. 7.16. а - измеренные частотные зависимости полного выходного сопротивления без ОС для некоторых популярных ОУ; б - частотная зависимость полного выходного сопротивления ОУ 411 и при замкнутой ОС.

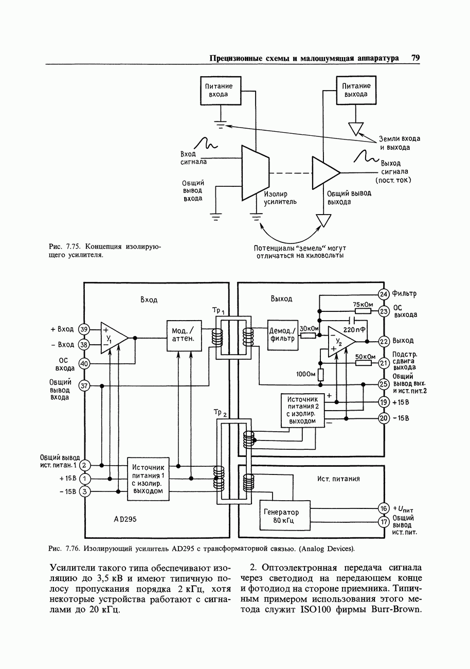
Примерами могут служить , в частности, имеет во всем диапазоне звуковых частот величину нелинейных искажений не более 0,002%. (Правда, это всего лишь заявка, так что не будем слишком доверчивы!) Все эти усилители имеют также очень низкие значения напряжения шумов; фактически на сегодня является мировым чемпионом по этому параметру, имея (макс.) при 10 Гц.

Рис. 7.17.

Выходное сопротивление разомкнутого ОУ будет наивысшим при значениях напряжения выходного сигнала, близких к нулю, поскольку выходные транзисторы работают при этом с наименьшими значениями тока. Выходное полное сопротивление растет также на высоких частотах с падением коэффициента усиления транзисторов (из-за частотной коррекции) и может слегка увеличиваться и на очень низких частотах благодаря температурной обратной связи через кристалл. Можно легко отмахнуться от эффекта конечности выходного полного сопротивления разомкнутого усилителя, считая, что обратная связь все спишет. Но если учесть, что некоторые ОУ имеют выходное сопротивление в разомкнутом состоянии порядка сотен ом, то станет ясно, что этим пренебрегать нельзя, особенно при малых и средних коэффициентах петлевого усиления. На рис. 7.16 показаны типичные графики выходных полных сопротивлений ОУ с обратной связью и без нее.

Работа на емкостные нагрузки.

Конечное значение выходного сопротивления разомкнутого ОУ может явиться причиной серьезных затруднений при попытке работы на емкостную нагрузку. Это связано с запаздыванием сигнала или сдвигом фазы, вызванным комбинацией выходного сопротивления и емкостной нагрузки, подключенной на землю. Такая ситуация может привести к неустойчивости схемы с обратной связью, если значению спада усиления на 3 дБ указанной цепи соответствует достаточно низкая частота, так как появляется существенная добавка к сдвигу фазы в 90°, уже имеющемуся из-за частотной компенсации. Для примера допустим, что в качестве нагрузки для ОУ с выходным сопротивлением 200 Ом служит тридцатиметровый коаксиальный кабель. Нагрузка эквивалентна конденсатору емкостью и образует -фильтр нижних частот с точкой, отвечающей значению —3 дБ, на частоте . Это намного меньше частоты единичного усиления для типичного ОУ, поэтому автоколебания будут весьма вероятны при высоком коэффициенте петлевого усиления (например, у повторителя).

Существуют два способа решения этих вопросов. Один из них состоит в добавлении последовательно выходу резистора и введении обратной связи на высоких частотах непосредственно с выхода ОУ, а на низких частотах и постоянном токе - от точки присоединения кабеля (рис. 7.17). Конкретные значения параметров, указанные на второй схеме, характерны для данного ОУ и схемы его включения и дают представление о том, какая емкость может служить нагрузкой. Но такой прием ухудшает высокочастотные характеристики, так как обратная связь на высоких частотах не влияет на сигнал на кабеле.

Буферные усилители мощности с единичным коэффициентом усиления.

Рис. 7.18.

Если метод расщепления цепи обратной связи нельзя применить, то лучшее, что можно - это добавить буферный каскад сильного тока с единичным коэффициентом усиления внутрь петли (рис. 7.18). Указанные на схеме устройства имеют коэффициент усиления по напряжению, близкий к единице, малое выходное сопротивление и могут дать выходной ток до . Они не дают сколько-нибудь значительного сдвига фазы вплоть до частоты единичного коэффициента усиления большинства ОУ, и их можно включать в контур обратной связи без дополнительной частотной компенсации. В табл. 7.4 приведен краткий список буферных усилителей. Конечно же, эти «мощные бустеры» можно использовать для работы с нагрузками, требующими больших токов, независимо от того, есть проблемы с емкостной нагрузкой или нет. К сожалению, большинство буферных усилителей не содержат встроенных цепей ограничения по току или предотвращения теплового пробоя, поэтому их применение требует осторожности. Устройства, являющиеся исключением из этого правила и имеющие встроенную в кристалл защиту, перечислены в табл. 7.4, например, .

Заметим, что приведенный пример выглядел бы иначе, если бы кабель был включен на свое характеристическое сопротивление. Он действовал бы как чисто активное сопротивление в пределах от 50 до 100 Ом в зависимости от типа кабеля. В этом случае буферный усилитель был бы обязателен и должен был давать ток для создания сигнала на нагрузке с полным сопротивлением 50 Ом. Более детально этот вопрос обсуждается в разд. 13.09.

На схему из предыдущего примера не влияют выходные параметры ОУ, поскольку она работает, в сущности, на постоянном токе.

1
Оглавление
email@scask.ru