Главная > Введение в цифровую фильтрацию
НАПИШУ ВСЁ ЧТО ЗАДАЛИ
СЕКРЕТНЫЙ БОТ В ТЕЛЕГЕ
<< Предыдущий параграф Следующий параграф >>
Пред.
След.
Макеты страниц

Распознанный текст, спецсимволы и формулы могут содержать ошибки, поэтому с корректным вариантом рекомендуем ознакомиться на отсканированных изображениях учебника выше

Также, советуем воспользоваться поиском по сайту, мы уверены, что вы сможете найти больше информации по нужной Вам тематике

ДЛЯ СТУДЕНТОВ И ШКОЛЬНИКОВ ЕСТЬ
ZADANIA.TO

6.10. Временные окна

Общепринятый подход к расчету нерекурсивных фильтров состоит в аппроксимации импульсной характеристики бесконечной длительности идеального фильтра импульсной характеристикой конечной длительности.

Фиг. 6.12. Частотная характеристика фильтра ннжних частот со взвешенной импульсной характеристикой.

Непосредственное усечение идеальной характеристики эквивалентно умножению на прямоугольное временное окно, в результате чего в частной области имеет место явление Гиббса, проявляющееся в нежелательных выбросах в точках резких переходов идеальной частотной характеристики. Этот эффект типичен и для фильтров, синтезируемых методом частотных выборок (фиг. 6.10). Умножение импульсной характеристики на временное окно соответствует свертке частотной характеристики с преобразованием Фурье для окна. Тщательный выбор формы окна позволяет сгладить частотную характеристику и значительно уменьшить пульсации. В литературе рассмотрены свойства ряда временных окон {2—4].

Пример. Пусть дана частотная характеристика фильтра, показанная на фиг. 6.10. Воздействие простого временного окна на уровень боковых лепестков можно продемонстрировать умножением

импульсной характеристики на окно типа «косинус с пьедесталом»:

Точка отсчета соответствует здесь средней точке конечной импульсной характеристики, что предопределяет использование симметричного временного окна. В частотной области этому соответствует свертка частотной характеристики (фиг. 6.10) с преобразованием Фурье для окна, причем это преобразование в рассматриваемом случае является простым линейным спектром из трех составляющих с весами на частотах соответственно. Результирующая частотная характеристика показана на фиг. 6.12. Она определяется выражением

Хорошо видно, что исходная характеристика (фиг. 6.10) оказалась сглаженной таким образом, что пульсации боковых лееестков значительно уменьшились, но одновременно вдвое расширилась переходная полоса.

1
Оглавление
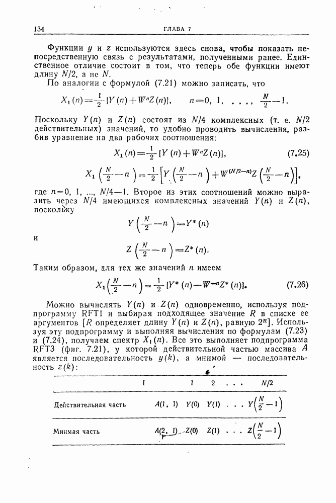
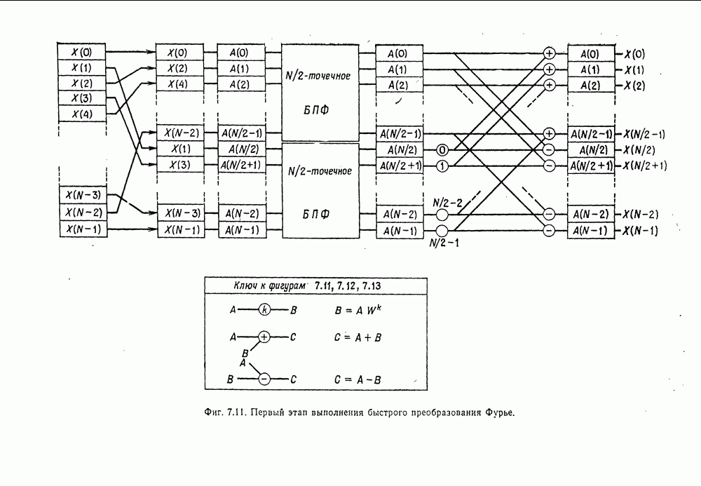
email@scask.ru