Главная > Обработка изображений на ЭВМ/Е
НАПИШУ ВСЁ ЧТО ЗАДАЛИ
СЕКРЕТНЫЙ БОТ В ТЕЛЕГЕ
<< Предыдущий параграф Следующий параграф >>
Пред.
След.
Макеты страниц

Распознанный текст, спецсимволы и формулы могут содержать ошибки, поэтому с корректным вариантом рекомендуем ознакомиться на отсканированных изображениях учебника выше

Также, советуем воспользоваться поиском по сайту, мы уверены, что вы сможете найти больше информации по нужной Вам тематике

ДЛЯ СТУДЕНТОВ И ШКОЛЬНИКОВ ЕСТЬ
ZADANIA.TO

3.9. ЭКСПЕРИМЕНТАЛЬНАЯ ПРОВЕРКА РАБОТЫ СИСТЕМЫ

Для определения эффективности разработанного метода распознавания, достоверности и скорости распознавания разработана система программ, полностью моделирующая его работу.

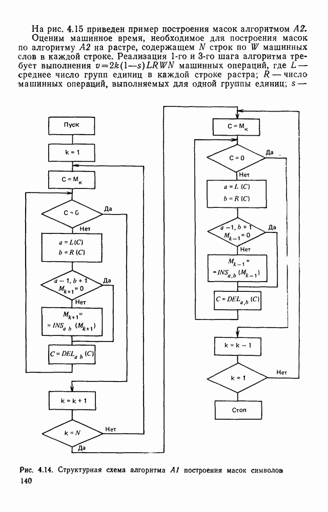
Процесс моделирования начинается с блока предварительной обработки, затем моделируется дискриминатор и координатор. В памяти ЭВМ (в координаторе) под действием сигналов с дискриминатора фиксируется последовательность переходов из одного состояния в другое. После очередного просмотра генерируется специальный сигнал, по которому либо выдается выходной символ, либо совершается переход на следующий просмотр. Один из этих просмотров обязательно заканчивается выдачей распознанного символа или отказом от распознавания, если в результате шумов и искажений описания различных символов совпадают или встречается неизвестный автомату символ. В последнем случае автомат либо выдает те символы, выбор между которыми он не может сделать, либо просто отказывается распознать данный символ. Вместе с выдачей, из-за отсутствия соответствующего описания в обучающей выборке выходных символов автомата система выдает трассу — последовательность входных сигналов и состояний координатора при распознавании данного символа, а также изображение символа (рис. 3.15).

Возможны два режима работы системы. В первом — трасса и распознаваемый символ всегда выдаются на дисплей или АЦПУ, во втором — только в том случае, когда символ распознается неверно или один из элементов таблицы переходов или выходов не определен, что соответствует полному отказу от распознавания. Одна из ситуаций, в которой не определен элемент таблицы переходов, представлена на рис. 3.16. Разделенная точкой с запятой пара цифр обозначает соответственно входной символ и состояние, в которое переходит автомат под его воздействием; символом Д обозначен входной сигнал «длинное пересечение», а символом 8 — сигнал окончания просмотра. Ситуации, представленные на рис. 3.17 и 3.18, соответствуют случаям, когда не определены элементы таблиц переходов — выходов.

(см. скан)

Рис. 3.15. Пример работы системы: а — трасса; б — распознаваемое изображение

(см. скан)

Рис. 3.16 Отказ от распознавания: а — трасса; б — распознаваемое изображение

(см. скан)

Рис. 3.17. Отказ от распознавания: а — трасса; б — распознаваемое изображение

(см. скан)

Рис. 3.18. Отказ от распознавания: а - трасса; б — распознаваемое изображение

(см. скан)

Рис. 3.19. Распознавание букв 3 и Э, не различимых при вертикальном просмотре: а — трасса; б — символ

(см. скан)

Рис. 3.20. Распознавание букв Р и Ч, не различимых при вертикальном просмотре. а — трасса; б — символ

(см. скан)

Рис. 3.21. Пример распознавания существенно искаженного символа

(см. скан)

Рис. 3.22. Процесс распознавании буквы Н при отсутствии пробела а — трасса; б — символ

(см. скан)

Рис. 3.23. Процесс распознавания буквы Ч при отсутствии пробела; а — трасса; б — симрол

(см. скан)

Рис. 3.24. Распознавание значительно искаженного символа. а — трасса, б — символ

Результаты вертикального просмотра (рис. 3.19 и 3 20) иллюстрируют ход процесса моделирования. Из них следует, что буквы З, Э и Р, Ч при вертикальном просмотре не различимы На рис. 3.21-3.24 приведены примеры, показывающие, что программа распознает символы, значительно отличающиеся от эталонных.

Для более глубокого изучения возможностей метода проводились контрольные статистические испытания по распознаванию больших серий букв. Были подготовлены пять серий оттисков каждой заглавной буквы алфавита, содержащие по 128 экземпляров. Первые три получили на пишущей машинке с электрическим приводом «Оптима», причем в каждой серии меняли сорт бумаги. Эти три сорта отличались отражательной способностью, измеряемой по амплитуде видеосигнала электронно-оптического преобразователя, так что отражательная способность одного из них была на 25% хуже отражательной способности другого Третий сорт бумаги по отражательной способности занимал промежуточное положение между этими двумя.

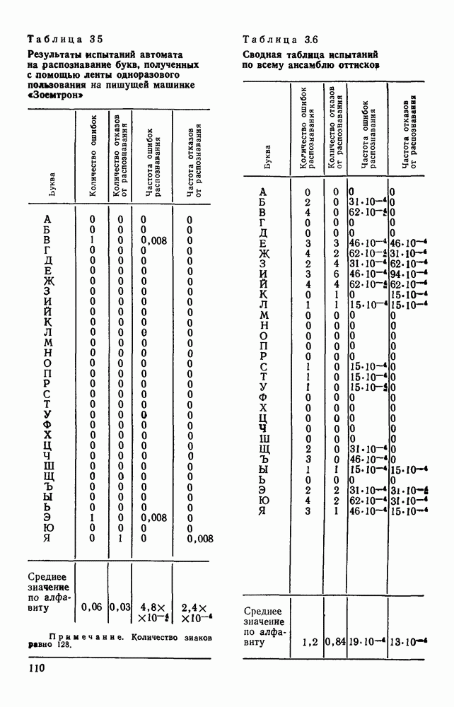
Четвертая серия оттисков была получена на машинке с электрическим приводом типа «Зоемтрон», пятая сделана на машинке «Зоемтрон» с использованием высококачественной красящей ленты одноразового пользования фирмы «Корее» (Австрия). Никаких ограничений на контрастность, толщину штриха оттиска, уровень шумов, обусловленных качеством бумаги (мелкие точки, шероховатости, неоднородности) не накладывалось Результаты испытаний приведены в табл. 3.3-3.6. Поскольку изменение контрастности в пределах 25% не дает сколь-нибудь ощутимых различий в достоверности распознавания, то в табл 3 3 приведены результаты испытаний по первым трем сериям, в табл. 3.4-3.5 — по соответственно четвертой и пятой. В табл 3 6 представлены результаты по всему ансамблю. Общий объем выборки достаточен для того, чтобы сделать определенные выводы о достоверности распознавания.

Наибольшее число ошибок возникает в буквах Ж, Ю, И, Й. Это объясняется тем, что буквы Ж и Ю имеют довольно сложную конструкцию, у них больше «степеней свободы» для различных искажений, поэтому для достижения близкой к остальным символам достоверности необходимо увеличить число их экземпляров в обучающей выборке. Что касается букв И, И, то их изображения могут быть столь близкими, что даже человеку их трудно различить. Отметим, что ошибки в этих буквах связаны с тем, что они смешиваются только друг с другом. Отказы в данном случае также происходят лишь в одной ситуации: при различии И и Й. Средние значения ошибок и отказов распознавания близки во всех трех сериях. Преимущества высококачественной ленты одноразового пользования очевидны: она позволяет в несколько раз повысить достоверность распознавания.

Таблица 3.3. Результаты испытаний автомата на распознавание букв, полученных на пишущей машинке «Оптима»

(см. скан)

Таблица 3.4. Результаты испытаний автомата на распознавание букв, полученных на пишущей машинке «Зоемтрон»

(см. скан)

Таблица 35. Результаты испытаний автомата на распознавание букв, полученных с помощью ленты одноразового пользования на пишущей машинке «Зоемтрон»

(см. скан)

Таблица 3.6. Сводная таблица испытаний по всему ансамблю оттисков

(см. скан)

1
Оглавление
email@scask.ru